万花楼论坛网,一品楼免费论坛官网,广州一品香论坛地址,一品小红楼论坛

咨询热线:

136-8688-4195
油研
当前位置:主页 > 新闻中心 > 电磁阀资讯

电磁阀资讯

油研PV2R1型叶片泵型号大全,技术参数及安装尺寸
发布时间:2026-04-16 10:35:45?
PV2R1型油研单泵
   本型泵专为低噪声而开发的高压、高性能泵。
为对应注塑成型机等广泛用途,本型泵具有5.8-237cm 7rev极宽的流量范围。另外,泵内脏组成组件,利于维修。
 
油研PV2R1型叶片泵型号:
YUKEN叶片泵PV2R1-6 
YUKEN叶片泵PV2R1-8 
YUKEN叶片泵PV2R1-10 
YUKEN叶片泵PV2R1-12 
YUKEN叶片泵PV2R1-14 
YUKEN叶片泵PV2R1-17 
YUKEN叶片泵PV2R1-19 
YUKEN叶片泵PV2R1-23 
YUKEN叶片泵PV2R1-25 
YUKEN叶片泵PV2R1-31 
 
油研PV2R1型叶片泵参数:
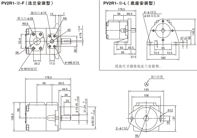
油研PV2R1型叶片泵安装尺寸:
油研PV2R1型叶片泵安装尺寸
.
相关资讯