万花楼论坛网,一品楼免费论坛官网,广州一品香论坛地址,一品小红楼论坛

咨询热线:

136-8688-4195
油研
当前位置:主页 > 新闻中心 > 电磁阀资讯

电磁阀资讯

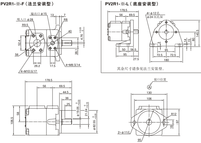
PV2R1系列油研叶片泵型号说明,规格参数及安装尺寸
发布时间:2026-04-16 10:35:45?
PV2R1系列油研叶片泵型号说明:
本型泵专为低噪声而开发的高压、高性能泵。
为对应注塑成型机等广泛用途,本型泵具有5.8-237cm²/rev极宽的流量范围。另外,泵内脏组成组件,利于维修。
排量:6、 8、10、12、14、17、19、23、25、31
安装形式:L∶底座安装型,F∶法兰安装型
旋转方向:【从轴伸端看】R∶顺时针方向(标准)
输出口位置:【从轴伸端看】A∶上(标准)
吸入口位置:【从轴伸端看】A∶上(标准)
设计号:43
★1.可提供逆时针转向的泵,详情请和我们联系。
★2.可提供磷酸酯液用泵,因为需要采用特殊性密封(氟橡胶)、订购时请在指定型号前加「F-」。
油研PV2R1系列油研叶片泵参数:
油研PV2R1系列油研叶片泵安装尺寸:
相关资讯