万花楼论坛网,一品楼免费论坛官网,广州一品香论坛地址,一品小红楼论坛

咨询热线:

136-8688-4195
油研
当前位置:主页 > 新闻中心 > 行业资讯

行业资讯

ALP4系列Marzocchi马祖奇高压齿轮泵规格及安装

更新时间:2026-04-16 10:33:11??

ALP4系列马祖奇齿轮泵
ALP4系列齿轮泵,可满足客户对大排量齿轮泵的需求。泵体、法兰、端盖由特殊的抗压铝合金压铸而成??筛髦峙帕恳约捌渌盗凶槌伤煤投嗔?。
 
ALP4-D-130马祖奇齿轮油泵
ALP4-D-160马祖奇齿轮油泵
ALP4-D-190马祖奇齿轮油泵
ALP4-D-220马祖奇齿轮油泵
ALP4-D-250马祖奇齿轮油泵
ALP4-D-270马祖奇齿轮油泵
ALP4-D-300马祖奇齿轮油泵
 
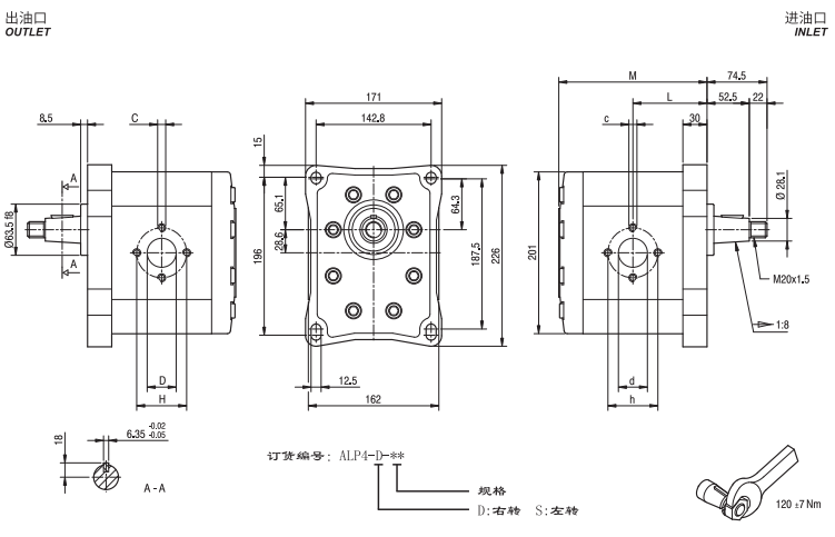
马祖奇齿轮泵ALP4系列安装尺寸:
马祖奇齿轮泵ALP4系列安装尺寸
 
ALP4系列Marzocchi高压齿轮泵型号及参数:
ALP4系列Marzocchi高压齿轮泵型号及参数
 
Marzocchi公司由Guglielmo和Stefano Marzocchi 创建于1961年,位于Bologna市郊的Casalecchio di Reno.如今Marzocchi公司已经成为了-家超过400名员工的工业集团公司。
Marzocchi集团由所有人Adriano和Paolo Marzocchi领导,主营液压泵,液压马达,摩托车和山地车的悬挂系统。
如今Marzocchi公司在外啮合齿轮泵和马达方面,无论是生产规模还是产品品种,都已经跻身于世界上最主要的制造商行列。
得益于多年的声望和经验,Marzocchi公司将 会是您最可靠的工作伙伴,为您提供优质的服务和专业的技术咨询。
相关资讯