万花楼论坛网,一品楼免费论坛官网,广州一品香论坛地址,一品小红楼论坛

咨询热线:

136-8688-4195
油研
当前位置:主页 > 新闻中心 > 行业资讯

行业资讯

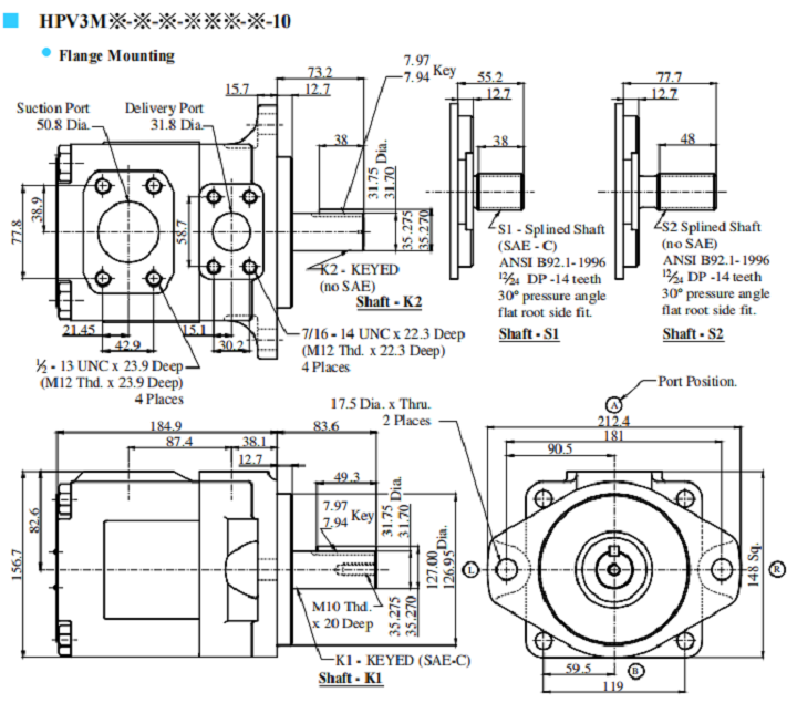
HPV3M系列叶片泵,HPV3M※-※-※-※※※※-10安装尺寸

更新时间:2026-04-16 10:33:10??

油研HPV3M系列-高压高速单泵
这些HPV 3M泵设计用于高压应用。适用于钻机等移动应用钻机、铁路和施工设备。
 
油研HPV3M系列叶片泵规格:
HPV3M-14 , HPV3M-17 , HPV3M-20 , HPV3M-24 , HPV3M-28 , HPV3M-31
HPV3M-35 , HPV3M-38 , HPV3M-42 , HPV3M-45 , HPV3M-50 , HPV3M-61
 
HPV3M系列叶片泵
HPV3M※-※-※-※※※※-10安装尺寸:
HPV3M※-※-※-※※※※-10安装尺寸
.
 
相关资讯