万花楼论坛网,一品楼免费论坛官网,广州一品香论坛地址,一品小红楼论坛

咨询热线:

136-8688-4195
油研
当前位置:主页 > 新闻中心 > 公司新闻

公司新闻

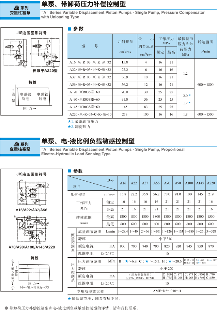
A220-L-R-03-C-K,A220-R-R-03-C-K油研液压泵

更新时间:2024-12-19

油研A系列变量柱塞泵 -单泵、带卸荷压力补偿控制型

A220-L-R-03-C-K, A220-R-R-03-C-K油研液压泵是一种高效、高压、大流量的液压元件,广泛应用于工业、农业、军事等领域。这种液压泵采用油研技术,具有结构紧凑、工作稳定、寿命长等特点,是液压系统中的核心部件之一。
 
A220-L-R-03-C-K, A220-R-R-03-C-K油研液压泵的主要结构包括泵体、泵盖、柱塞、活塞、弹簧、轴等部件。其中,泵体和泵盖是液压泵的外壳,用于容纳和?;つ诓坎考?;柱塞和活塞是液压泵的核心部件,用于将液压能转化为机械能;弹簧用于调节液压泵的排量;轴用于连接液压泵的电机和内部部件。
 
A220-L-R-03-C-K, A220-R-R-03-C-K油研液压泵的工作原理是利用电机带动轴旋转,轴再带动柱塞和活塞进行往复运动,从而将液压油的压力能转化为机械能。这种液压泵具有高压力、大流量、低噪音等特点,能够满足不同领域的需求。
 
在使用A220-L-R-03-C-K, A220-R-R-03-C-K油研液压泵时,需要注意以下几点:首先,要选择合适的液压油,并保持油液清洁;其次,要定期检查液压泵的各部件是否正常工作,如发现异常应及时维修或更换部件;最后,要避免超载或过载使用液压泵,以免造成损坏或降低寿命。
 
总之,A220-L-R-03-C-K, A220-R-R-03-C-K油研液压泵是一种重要的液压元件,具有高效、稳定、寿命长等特点,能够满足不同领域的需求。在使用过程中,需要注意维护和保养,以保证其正常工作并延长寿命。
油研带卸荷压力补偿控制型柱塞泵参数:
油研带卸荷压力补偿控制型柱塞泵参数
.
相关资讯