万花楼论坛网,一品楼免费论坛官网,广州一品香论坛地址,一品小红楼论坛

咨询热线:

136-8688-4195
油研
当前位置:主页 > 新闻中心 > 公司新闻

公司新闻

油研单向调速阀FCG-01-4-N-1190的工作原理,特点及应用

更新时间:2024-12-19

油研单向调速阀FCG-01-4-N-1190:
在液压系统中,流量控制是一个关键环节。油研单向调速阀FCG-01-4-N-1190是一种广泛应用于液压系统中的调速阀,它具有单向阀功能,可以有效控制液体的流量和流向,保障液压系统的稳定运行。
一、油研单向调速阀FCG-01-4-N-1190的工作原理:
油研单向调速阀FCG-01-4-N-1190由单向阀和调速阀两部分组成。单向阀控制液体的流向,只允许液体向一个方向流动,而调速阀则控制液体的流量。在液压系统中,通过调节调速阀的开口大小,可以控制液体的流量,进而控制液压执行器的速度。
二、油研单向调速阀FCG-01-4-N-1190的特点:
高效稳定:油研单向调速阀FCG-01-4-N-1190具有高效稳定的性能,能够保证液压系统的稳定运行。
流量控制准确:通过调节调速阀的开口大小,可以精确控制液体的流量,实现液压执行器的精确控制。
易于维护:油研单向调速阀FCG-01-4-N-1190结构简单,易于维护和保养。
适用范围广:油研单向调速阀FCG-01-4-N-1190适用于各种类型的液压系统,具有广泛的应用范围。
三、油研单向调速阀FCG-01-4-N-1190的应用:
油研单向调速阀FCG-01-4-N-1190在液压系统中有着广泛的应用。例如,在工程机械、农业机械、矿山机械等领域,通过使用油研单向调速阀FCG-01-4-N-1190,可以实现对执行器的精确控制,提高工作效率和安全性。
      油研单向调速阀FCG-01-4-N-1190作为一种重要的液压元件,在液压系统中发挥着重要的作用。通过使用油研单向调速阀FCG-01-4-N-1190,可以实现对液压执行器的精确控制,提高液压系统的稳定性和效率。因此,油研单向调速阀FCG-01-4-N-1190将在未来的液压系统中发挥越来越重要的作用。
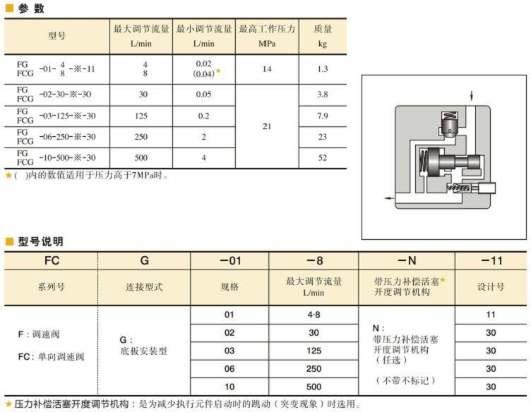
油研单向调速阀:
这两类阀是压力和温度补偿型阀,能维持稳定的流量,不随系统压力(负载)和温度(油液粘度)而变化。用其控制液压回路中的流量,从而精确地控制执行元件的速度。
带单向阀型可获与控液流反向的自由液流。借助数字刻度盘,可方便地调节或重新设定流量。
YUKEN单向调速阀型号说明及技术参数:
.YUKEN单向调速阀型号说明及技术参数
相关资讯